High Precision Voltage to Frequency Converter ±80mA 512kHz Output Low Power Compact 3-Axis Accelerometer Signal Module
The AVI-C-series V/F conversion module is a high-precision voltage/frequency converter that uses charge integration to continuously convert the current signals of three accelerometers simultaneously. The components used in this series of products are all 100% domestically produced, with a range of up to ±80mA. It has the characteristics of small size, low power consumption, low temperature, and autonomous controllability.
Part No, :
AVI-COrder(MOQ) :
1Product Series and Parameters
| Specification | Test conditions | Minimum | Typical | Maximum | Unit |
| Maximum output frequency | Full temperature | - | - | 512 | kHz |
| Zero position F0 | Full temperature | 0 | 60 | 100 | nA |
| Zero stability | Constant temperature test | 10 | 20 | ppm | |
| Scale factor temperature coefficient | Full temperature range | - | 1 | 2 | ppm/℃ |
| Scale factor asymmetry | I=±1mA,TC =25℃ | 0 | 30 | ppm | |
| Scale factor comprehensive nonlinearity | Full temperature range 1mA ≤ | I | ≤ FS | - | 30 | 50 | ppm |
| Small signal error | 0.01uA≤|I|≤1mA | 0.5 | Hz | ||
| Stability during one power on | I=±1mA,TC =25℃ | 10 | 20 | ppm | |
| Repeatability of successive power on | I=±1mA,TC =25℃ | 10 | 20 | ppm | |
| Working temperature range TC | -45 | 85 | ℃ | ||
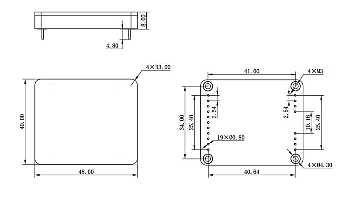
| Product dimension | 48*40*8 | mm | |||
| Interface form | Dual in-line plug lead out | ||||
Production process
Product dimension

Application Scenarios



FAQ
Xml Privacy Policy Blog Sitemap
copyright @ Micro-Magic Inc All Rights Reserved.
Network Supported