The U503 MEMS Inertial Measurement Module is a high-precision, high-performance six-axis MEMS inertial measurement module that can be widely used in navigation, control, and measurement fields represented by vehicles, ships, and drones. The U503 series of inertial measurement modules integrates high-performance MEMS gyroscopes and high-performance accelerometers within an independent structure. It has undergone system sealing design and internal shock absorption treatment, meeting the requirements of high-precision, high-dynamic navigation applications in harsh environments.
Part No, :
U503Order(MOQ) :
1Product Series and Parameters
| Parameters | Technical Indicators | |
| U503-A | U503-B | |
| Gyroscope | ||
| Measuring range(°/s) | ±300 | ±300 |
| Full temperature zero bias(°/h,3σ) | ≤2 | ≤2 |
| Zero-bias stability(°/h,10s) | ≤0.15 | ≤0.3 |
| Zero bias instability(°/h,allan,typ) | ≤0.03 | ≤0.03 |
| Zero-bias repeatability(°/h,1σ) | ≤0.3 | ≤0.3 |
| Random angle walk(°/√h) | ≤0.005 | ≤0.02 |
| Scale factor nonlinearity(ppm) | ≤100 | ≤100 |
| Cross coupling(rad) | ≤0.001 | ≤0.001 |
| Bandwidth(Hz) | ≥100 | ≥200 |
| Accelerometer | ||
| Measuring range(g) | ±30 | ±30 |
| Full temperature zero bias(mg) | ≤0.5 | ≤2 |
| Zero-bias stability(ug,10s) | ≤10 | ≤50 |
| Zero bias instability(μg,allan,typ) | ≤3 | ≤30 |
| Zero-bias repeatability(ug) | ≤10 | ≤50 |
| Velocity random walk(m/s/√h) | ≤0.01 | ≤0.03 |
| Scale factor nonlinearity(ppm,±1g) | ≤100 | ≤100 |
| Cross coupling(rad) | ≤0.001 | ≤0.001 |
| Bandwidth(Hz) | ≥200Hz | ≥200Hz |
| Electrical/Mechanical Interface | ||
| Power supply(V) | 5~12 | |
| Steady-state power (W) | ≤2 | |
| Startup time(s) | ≤2 | |
| communication interface | RS-422 | |
| Data Rate(Hz,max) | 2000 | |
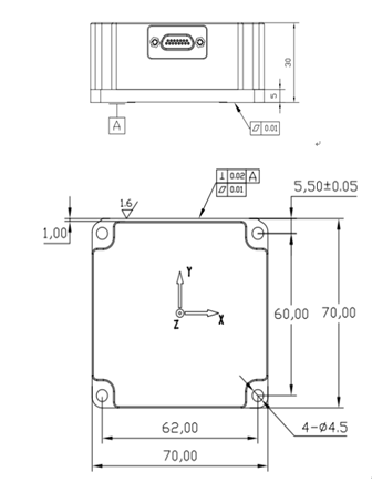
| Size(mm×mm×mm) | 70×70×30 | |
| Weight(g) | 220±10 | |
| Operating environment | ||
| Operating temperature(℃) | -50~+80(Or start at -50 and operate at -55) | |
| Storage temperature(℃) | -55~85 | |
| Vibration(g,RMS) | 13 | |
| Shock (g) | 1000 | |
Production process
More similar products




Product dimension

Application Scenarios



FAQ
Xml Privacy Policy Blog Sitemap
copyright @ Micro-Magic Inc All Rights Reserved.
Network Supported