As a new type of all-solid state gyro, fiber optic gyroscope has the advantages of fast start, wide measurement range and high reliability. G-F120 uniaxial precision fiber optic gyroscope can be applied to the application requirements of high precision inertial navigation system, such as land positioning orientation, vehicle north finding instrument, airborne navigation posture and Marine gyro. The specification is only applicable to G-F120 type products, including performance indicators, technical conditions, external dimensions and installation and use. Among them, the technical conditions include the environmental range, electrical performance and physical characteristics of the product.
Part No, :
G-F120Order(MOQ) :
1Connector :
RS422Protection Level :
IP67Product Series and Parameters
| G-F120-A | G-F120-B | G-F120-C | Unit | |
| Zero bias stability | ≤0.01 | ≤0.007 | ≤0.006 | °/hr (1σ,10s) |
| Zero bias stability | ≤0.004 | ≤0.003 | ≤0.002 | °/hr (1σ,100s) |
| Stabilization times s | <10 | <10 | <10 | |
| Zero bias repeatability | ≤0.01 | ≤0.007 | ≤0.006 | °/hr (1σ) |
| Full-temperature zero-bias repeatability | ≤0.10 | ≤0.08 | ≤0.05 | °/hr |
| Random walk coefficient | ≤0.002 | ≤0.001 | ≤0.001 | |
| The Scale factor of Nonlinearity | ≤10 | ≤10 | ≤10 | ppm (1σ) |
| The Scale factor of Repeatability | ≤10 | ≤10 | ≤10 | ppm (1σ) |
| Full-temperature scale factor repeatability | ≤100 | ≤50 | ≤50 | ppm |
| Dynamic range | ±500 | °/s | ||
| Magnetic field sensitivity | ≤0.02 | °/hr/Gs | ||
| Working temperature | -40~+65 | ℃ | ||
| Storage temperature | -50~+70 | ℃ | ||
Production process
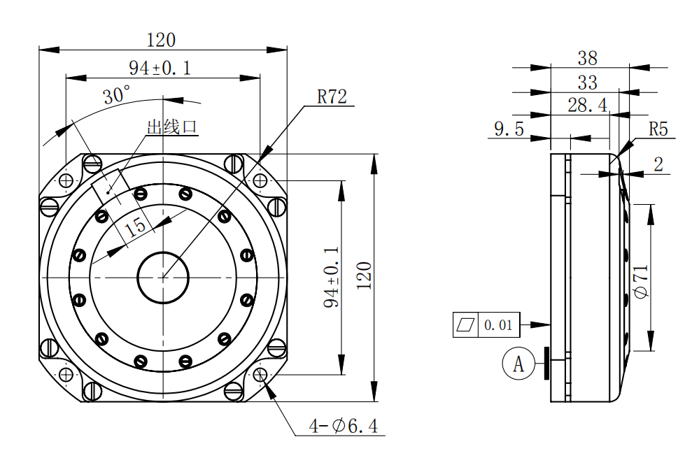
Product dimension

Graph 2 Outline dimensions of G-F120H
Application Scenarios



FAQ
Xml Privacy Policy Blog Sitemap
copyright @ Micro-Magic Inc All Rights Reserved.
Network Supported