As a new type of all-solid state gyro, fiber optic gyroscope has the advantages of fast start, wide measurement range and high reliability. G-F70ZK uniaxial medium and high precision fiber optic gyroscope can be applied to the application requirements of high precision inertial navigation system, such as land positioning orientation, vehicle north finding instrument, airborne navigation posture and Marine gyro. The specification is only applicable to G-F70ZK type products, including performance indicators, technical conditions, external dimensions and installation and use. Among them, the technical conditions include the environmental range, electrical performance and physical characteristics of the product.
Part No, :
G-F70ZKOrder(MOQ) :
1Connector :
RS422Protection Level :
IP67Product Series and Parameters
| G-F70ZK-A | G-F70ZK-B | ||
| Zero bias stability °/hr (1σ,10s) | ≤0.05 | ≤0.03 | 2h continuous testing, 10s smooth results |
Zero bias repeatability °/hr (1σ) |
≤0.02 | ≤0.02 | 6 test data calculation results |
| Random walk coefficient °/ | ≤0.005 | ≤0.003 | |
| The Scale factor of Nonlinearity ppm (1σ) | ≤10 | ≤10 | normal atmospheric temperature |
| The Scale factor of Repeatability ppm (1σ) | ≤20 | ≤10 | normal atmospheric temperature |
| Full-temperature scale factor repeatability ppm (1σ) | ≤300 | ≤200 | -40℃~+60℃ |
| Dynamic range °/s | ±500 | ||
| Magnetic field sensitivity °/hr/Gs | ≤0.02 | ||
| Working temperature ℃ | -40~+70 | ||
| Storage temperature ℃ | -50~+70 | ||
| Vibration conditions Hz | 4.2g, 20~2000 | Sweep frequency vibration has no resonance | |
Production process
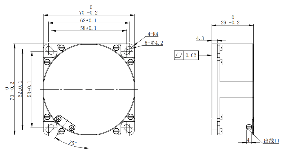
Product dimension

Graph 2 Outline dimensions of G-F70ZK
Application Scenarios



FAQ
Xml Privacy Policy Blog Sitemap
copyright @ Micro-Magic Inc All Rights Reserved.
Network Supported