Fiber optic gyroscope, as a new type of all solid state gyroscope, has the advantages of fast start-up, wide measurement range, and high reliability. Among them, the U-F3X90 fiber optic gyroscope IMU (inertial measurement unit) is designed for the needs of medium and low precision application backgrounds, using three-axis shared technology, with low cost and stable performance; Structurally, it adopts integrated packaging of light path and circuit, with a simple structure and convenient installation. It can be applied to navigation guidance, attitude measurement and control systems of small missiles and guided bombs.
Part No, :
U-F3X90Order(MOQ) :
1Product Series and Parameters
| U-F3X90-H | U-F3X90-M | Unit | |
| fiber-optic gyroscope | |||
| Zero bias stability (Under room temperature) | ≤0.10 | ≤0.20 | °/hr |
| Zero bias repeatability(Under certain temperature, step by step, day by day) | ≤0.10 | ≤0.20 | °/hr |
| The Scale factor of Repeatability(Under room temperature) | ≤30 | ≤50 | ppm |
| The Scale factor of asymmetry(Under certain temperature) | ≤30 | ≤50 | Ppm |
| The Scale factor of Nonlinearity(Under certain temperature) | ≤30 | ≤50 | ppm |
| Threshold | ≤0.20 | °/hr | |
| Dynamic range of angular velocity | ±500 | °/s | |
| Bandwidth | ≥200 | Hz | |
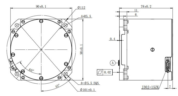
| Dimension | 90**90*78 | mm | |
| Weight (including accelerometer) | 850±50 | g | |
| Working temperature | -40~+65 | ℃ | |
| Specification | Unit | |
| quartz accelerometer | ||
| Range | ≥±30 | g |
| The Scale factor temperature coefficient | ≤100 | ppm/℃ |
| The Scale factor monthly stability | ≤100 | ppm |
| The Bias value | ≤±7 | mg |
| The Bias temperature coefficient | ≤100 | μg /℃ |
| The Partial monthly stability | ≤100 | μg |
| The Second-order nonlinear coefficient | ≤100 | μg /g2 |
| Mounting angle | ≤200 | " |
| Appearance | No scratches, cracks, or rust | |
Production process
Product dimension

Application Scenarios



FAQ
Xml Privacy Policy Blog Sitemap
copyright @ Micro-Magic Inc All Rights Reserved.
Network Supported