The UF200-N fiber optic inertial measurement unit is a highly reliable and cost-effective navigation system, widely applicable to navigation, control, and measurement fields represented by aircraft, unmanned vehicles, unmanned ships, and drones.
The inertial measurement unit inherits the modular design philosophy of similar products and employs high-precision silicon optical gyroscopes and high-precision MEMS accelerometers. In addition to its application as an inertial measurement unit, it can also be configured with different software functions according to user needs. Considering the characteristics of some inertial navigation industry applications, it can perform transfer alignment, integrated navigation, pure inertial navigation solution, attitude and heading reference, etc., thereby maximizing the satisfaction of different user needs.
Part No, :
UF200NNOrder(MOQ) :
1Product Series and Parameters
| Parameters | UF200-N |
| Fiber Optic Gyroscope | |
| Measuring range (°/s) | ±500 |
| Zero bias (°/h) | 1 |
| Zero-bias stability (°/h, 10s) | 0.5 |
| Zero bias repeatability (°/h, 6 power-on tests) | 0.5 |
| Random walk in angle (°/√h) | 0.02 |
| Scale nonlinearity (ppm) | 200 |
| Scale asymmetry (ppm) | 200 |
| Scale repeatability (ppm) | 200 |
| Cross-coupling (rad) | ≤0.001 |
| Bandwidth (Hz) | ≥200 |
| MEMS Accelerometer | |
| Measuring range (g) | ±30 |
| Zero position (mg) | ≤1 |
| Zero bias stability (ug, 10s smoothing) | 30 |
| Zero bias repeatability (ug) | 30 |
| Speed random walk (m/s/√h) | 0.015 |
| Scale factor nonlinearity (mg, ppm) | 5 |
| Cross-coupling (rad) | 0.001 |
| Bandwidth (Hz) | ≥200 |
| Electrical/mechanical interface | |
| Input voltage | 5V DC |
| Power consumption | ≤10W |
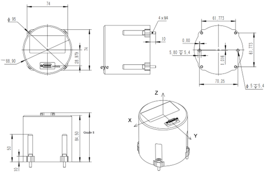
| Size | 88.9mm×89.55mm |
| Weight | ≤0.5kg |
| Operating environment | |
| Operating temperature (℃) | -40~+70 |
| Storage temperature (℃) | -55~+85 |
| Vibration (g/Hz) | 6/20~2000 |
| Impact (g) | 100g@11ms |
| Reliability | |
| MTBF/MTTR(h) | 10000/0.5 |
| Maintenance | BIT 95% |
Production process
Product dimension

Application Scenarios



FAQ
Xml Privacy Policy Blog Sitemap
copyright @ Micro-Magic Inc All Rights Reserved.
Network Supported