This is the article for IF4010 related specific technical requirements for the FOG-40 type inertial measurement unit, which type of inertial measurement unit can be widely used in vehicle mounted, shipborne, airborne and other fields.
Part No, :
IF4010Order(MOQ) :
11. Product specification

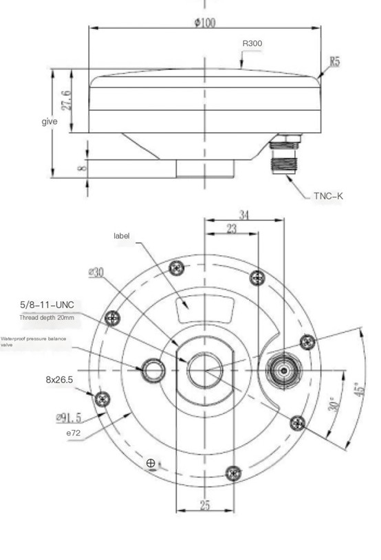
2.Product size





Xml Privacy Policy Blog Sitemap
copyright @ Micro-Magic Inc All Rights Reserved.
Network Supported