U16488 High Precision MEMS IMU Perfect Replacement for ADIS16488A Inertial Measurement Unit
Gyroscope
Accelerometer
Part No, :
U16488Replacement Product :
ADIS 16488Product Series and Parameters
| Parameter | Conditions | U16488-C | U16488-D | Unit | |
| Gyroscope | Range | ±450 | ±500 | °/s | |
| Full-temperature zero bias | 3σ | ≤100 | ≤100 | °/h | |
| Zero bias stability | 10s smoothing | 5 | 5 | °/h | |
| Zero bias instability | Allan variance | 0.8 | 1 | °/h | |
| Zero bias repeatability | Constant temperature | 5 | 5 | °/h | |
| Angle random walk | 0.03 | 0.2 | °/√h | ||
| Scale factor nonlinearity | ≤100 | ≤100 | ppm | ||
| Cross-coupling | 0.001 | 0.001 | Rad | ||
| Bandwidth | 200 | 200 | Hz | ||
| Accelerometer | Range | ±20 | ±16 | g | |
| Full-temperature zero bias | 3σ | ≤3 | ≤3 | mg | |
| Zero bias stability | 10s smoothing | 0.1 | 0.1 | mg | |
| Zero bias instability | Allan variance | 0.02 | 0.03 | mg | |
| Zero bias repeatability | Constant temperature | 0.1 | 0.1 | mg | |
| Velocity random walk | 0.04 | 0.04 | m/s/√h | ||
| Scale factor nonlinearity | ±1g | 200 | 200 | ppm | |
| Cross-coupling | 0.001 | 0.001 | Rad | ||
| Bandwidth | 200 | 200 | Hz | ||
| Magnetometer | Range | ±8 | Gs | ||
| Resolution | 200 | μGs | |||
| Noise density | 50 | μGs | |||
| Bandwidth | 200 | Hz | |||
| Barometer | Range | 300~1100 | mbar | ||
| Total Error | 4.5 | mbar | |||
| Absolute error | 1.5 | mbar | |||
| Nonlinearity | 0.1 | %FS | |||
| Resolution | 0.1 | mbar | |||
| Communication Interface | SPI | 10 | MHz | ||
| UART | 9.6/460.8/921.6 | kbps | |||
| Electrical Characteristics | Working Voltage | 3.3 | V | ||
| Power consumption | 0.5 | W | |||
| Ripple | peak-to-peak | 100 | mV | ||
| Startup time | 2 | s | |||
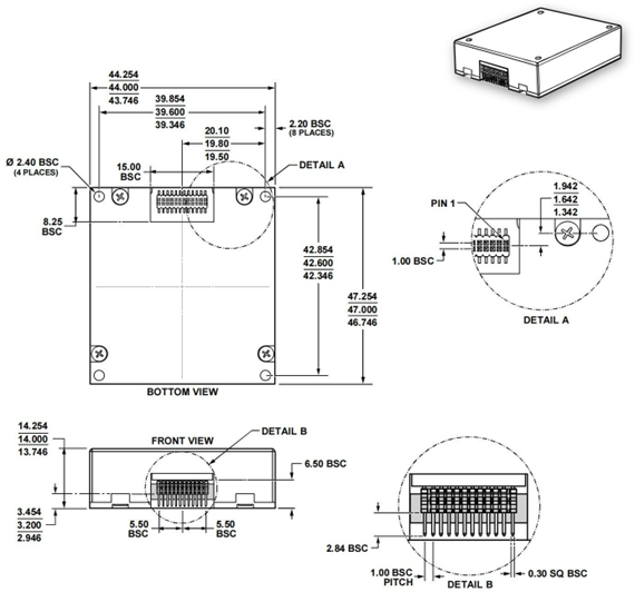
| Structural Characteristics | Size | 47.0 × 44.0 ×14.0 | mm | ||
| Weight | 50 | g | |||
| Operating Environment | Operating temperature | -40 | 80 | ℃ | |
| Storage temperature | -55 | 85 | ℃ | ||
| Vibration | 10-2000Hz, 6.06g | ||||
| Shock | 30g, 11ms | ||||
| Overload | Half sine wave | 1000g | |||
| Reliability | MTBF | 20000 | h | ||
| Continuous working hours | 120 | h | |||
| Note: Typical values represent the 1σ statistical values of multiple sets of product testing indicators. | |||||
Production process
More similar products




Product dimension

Application Scenarios
Across -40 °C to +80 °C, U16488-D’s full-temperature calibration/compensation enables single-axis rotational excitation to precisely measure and calibrate that axis’s gyroscope zero bias, temperature drift, and scale factor.



FAQ
Xml Privacy Policy Blog Sitemap
copyright @ Micro-Magic Inc All Rights Reserved.
Network Supported