U16495 High Precision MEMS IMU Module, 9-Axis (Gyro/Accel/Mag), SPI, ADIS16495 Compatible
Gyroscope
Measurement Range (°/s):±350~500
Bias over Full Temperature Range (°/h, 1σ):20
Bias Stability (°/h, 10s Averaging):3
Bias Instability (°/h, Allan, Typ.):0.3
Bias Repeatability (°/h):1
Angular Random Walk (°/√h):0.1
Scale Factor Nonlinearity (ppm):100
Accelerometer
Measurement Range (g):±20
Full-Temperature Bias (mg, 1σ):1
Bias Stability (μg, 10s Averaging):50
Bias Instability (μg, Allan, Typ.):10
Bias Repeatability (μg):50
Velocity Random Walk (m/s/√h):0.03
Scale Factor Nonlinearity (ppm, ±1g):200
Part No, :
U16495Replacement Product :
ADIS 16495Product Series and Parameters
| Parameter | Testing Conditions | Min | Typ | Max | Unit | |
| Gyroscope | Range | ±350 | ±500 | °/s | ||
| Full-temperature zero bias | 1sigma | ±20 | 60 | °/h | ||
| Zero bias stability | 10s | 3 | 5 | °/h | ||
| Zero bias instability | Allan | 0.3 | 0.5 | °/h | ||
| Zero-bias repeatability | 1 | 5 | °/h | |||
| Angle random walk | 0.1 | 0.2 | °/√h | |||
| Scale factor nonlinearity | ±100 | ppm | ||||
| Cross-coupling | ±0.001 | rad | ||||
| Bandwidth | 200 | Hz | ||||
| Accelerometer | Range | ±20 | g | |||
| Full-temperature zero bias | 1sigma | ±1 | ±3 | mg | ||
| Zero bias stability | 10s | 0.05 | 0.1 | mg | ||
| Zero bias instability | Allan | 0.01 | 0.03 | mg | ||
| Zero-bias repeatability | 0.05 | 0.1 | mg | |||
| Velocity random walk | 0.03 | m/s/√h | ||||
| Scale factor nonlinearity | ±1g | ±200 | ±200 | ppm | ||
| Cross-coupling | ±0.001 | rad | ||||
| Bandwidth | 200 | Hz | ||||
| Magnetometer | Range | ±8 | Gs | |||
| Resolution | 200 | μGs | ||||
| Noise density | 50 | μGs | ||||
| Bandwidth | 200 | Hz | ||||
| Communication Interface | SPI | 25 | MHz | |||
| UART | 9.6 | 460.8 | 921.6 | kbps | ||
| Electrical Characteristics | Working Voltage | 3 | 3.3 | 3.6 | V | |
| Power Consumption | 0.5 | W | ||||
| Ripple | peak-to-peak | 100 | mV | |||
| Startup time | 2 | s | ||||
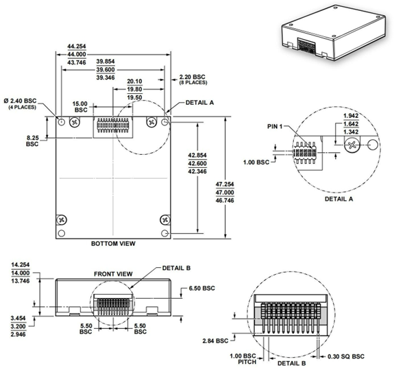
| Structural Characteristics | Size | 47.0 × 44.0 ×14.0 | mm | |||
| Weight | 50 | g | ||||
| Operating Environment | Operating Temperature | -40 | 80 | ℃ | ||
| Storage Temperature | -55 | 85 | ℃ | |||
| vibration | 10-2000Hz, 6.06g | |||||
| Shock | 30g, 11ms | |||||
| Overload | Half sine wave | 1000g | ||||
| Reliability | MTBF | 20000 | h | |||
| Continuous working hours | 120 | h | ||||
| Note: Typical values represent the 1 σ statistical values of multiple sets of product testing indicators. | ||||||
Production process
More similar products




Product dimension

Application Scenarios
From −40 °C to +80 °C, U16495’s full-temperature calibration compensation (with a built-in temperature sensor) allows single-axis rotational excitation to precisely measure and calibrate that axis’s gyroscope full-temperature zero bias/temperature drift and scale-factor nonlinearity.



FAQ
Xml Privacy Policy Blog Sitemap
copyright @ Micro-Magic Inc All Rights Reserved.
Network Supported