The U16575 is a six-axis MEMS IMU with digital output SPI/UART, which can compatible with ADIS16575
Gyroscope
Measurement Range (°/s):±500
Bias over Full Temperature Range (°/h, 1σ):100
Bias Stability (°/h, 10s Averaging):5
Bias Instability (°/h, Allan, Typ.):1
Bias Repeatability (°/h):5
Angular Random Walk (°/√h):0.2
Scale Factor Nonlinearity (ppm):150
Accelerometer
Measurement Range (g):±20
Full-Temperature Bias (mg, 1σ):≤3(XY)≤6(Z)
Bias Stability (μg, 10s Averaging):100
Bias Instability (μg, Allan, Typ.):30
Bias Repeatability (μg):30
Velocity Random Walk (m/s/√h):0.03
Scale Factor Nonlinearity (ppm, ±1g):200
Part No, :
U16575Replacement Product :
ADIS16575Product Series and Parameters
| Parameter | Indicators | Unit |
| Gyroscope | ||
| Measuring range | ±400 | °/s |
| Full temperature zero bias | ≤80 | °/h, 3σ |
| Zero-bias stability | ≤5 | °/h, 10s |
| Zero bias instability | ≤1 | °/h, Allan, typ |
| Zero bias repeatability | ≤5 | °/h |
| Angle random walk | ≤0.3 | °/√h |
| Scale factor nonlinearity | ≤150 | ppm |
| Cross coupling | ≤0.001 | rad |
| Bandwidth | ≥200Hz | Hz |
| Accelerometer | ||
| Measuring range | ±10 | g |
| Full temperature zero bias | ≤5 | mg, 3σ |
| Zero bias stability | ≤300 | μg, 10s |
| Zero bias instability | ≤30 | μg, Allan, typ |
| Zero bias repeatability | ≤50 | Ug |
| Speed random walk | ≤0.03 | m/s/√h |
| Scale factor nonlinearity | ≤200 | ppm, ±1g |
| Cross-coupling | ≤0.001 | rad |
| Bandwidth | ≥200Hz | Hz |
| Physical properties | ||
| Power supply | 3.3 | V |
| Steady-state power | ≤1 | W |
| Startup time | ≤2 | s |
| Communication interface | One way is SPI, the other is UART | |
| Update rate | 1000 | Hz, max |
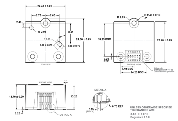
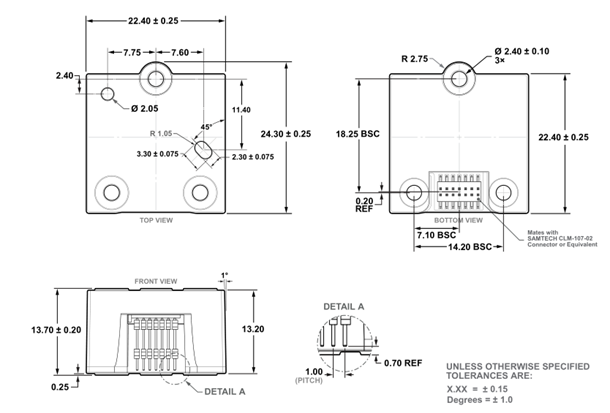
| Dimensions | 22.4*22.3*13.7 | mm |
| Weight | 12±2 | g |
| Working environment | ||
| Operating temperature | -40~80 | ℃ |
| Storage temperature | -55~85 | ℃ |
| Vibration | 20~2000HZ,6.06 | g, RMS |
| Impact | 1000/1ms | g |
Production process
More similar products




Product dimension

Application Scenarios



FAQ
Xml Privacy Policy Blog Sitemap
copyright @ Micro-Magic Inc All Rights Reserved.
Network Supported