Hardware
- High-performance array IMU
- Factory-calibrated with temperature compensation from -40 to 85℃, with scale factor, cross-axis, and zero bias calibrated
- The gyroscope zero-bias instability is as high as 2.5°/h
- The zero bias instability of the accelerometer is as high as 30ug
- Multiple interfaces such as UART (TTL)/CAN
- Integrated Temperature Sensor
- Small surface-mount package, easy to integrate
- RoHS and CE certification
- Full-constellation, full-frequency RTK-GNSS system, dual-antenna direction finding
Software
- Adaptive extended Kalman fusion algorithm, capable of up to 100Hz output with low latency
- Dual-antenna directional 0.2° 1m baseline
- It has excellent suppression effect on linear acceleration
- Timing accuracy of 20ns
- Single-point positioning with an accuracy of 1.5 meters
- RTK positioning accuracy is 1cm
- Speed accuracy: 0.03m/s
- Cold start time < 30s
- Hot start time < 2s
- Supports multiple protocols such as binary, NMEA, J1939, and more
- Rich user configuration instructions
- Multi-functional GUI, easy to operate
- Supports multiple routines such as ROS and C
Part No, :
I3800Order(MOQ) :
11. Product specification
GNSS Parameters

Fusion accuracy

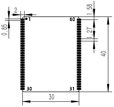
2. Product dimension


Xml Privacy Policy Blog Sitemap
copyright @ Micro-Magic Inc All Rights Reserved.
Network Supported